专业生产大口径法兰 非标法兰
根据您的需求,我们精心为你制造!
精工Ф15mm-2500m 毛坯Ф300mm-6000mm
首 页
关于我们
新闻中心
产品中心
产品参数
联系我们
首 页
公司简介
产品中心
新闻中心
产品参数
联系方式
服务热线:0577-86916177
产品参数
压力容器法兰JB/T 4701-200
压力容器法兰JB/T 4701-200
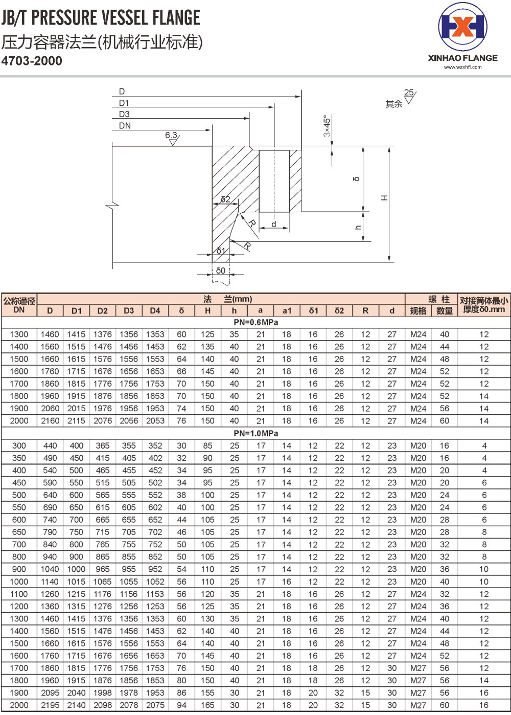
压力容器法兰4703-2000
通用水处理法兰
平焊法兰(国标) PN2.5
平焊法兰(国标) PN6
平焊法兰(国标) PN10
平焊法兰(国标) PN16
平焊法兰(国标) PN25
B系列法兰尺寸(美标) CLass 150
B系列法兰尺寸(美标) Class 300
大直径对焊法兰(美标) ASME
带颈对焊法兰(德标) PN6
带颈对焊法兰(德标) PN10
带颈对焊法兰(德标) PN16
总
22
条记录
1
2
下一页